MEMS Mass Flow Sensors - FS4001
? Flow Range: 0 ~ 30, 100, 200, 500, 1000, or customer specified sccm
? Turn-down Ratio: >100:1
? Accuracy: ±(1.5 + 0.5 FS)%
? Repeatability: ± 0.25%Reading
? Null Shift: ±30mV
? Output Shift: ± 0.2%/°C
? Response Time: 65ms (Default, 4, 8, 16, 33, 131 selectable)
- Quantity:
- - +
Product Specification
FS4001 MEMS Mass Flow Sensors Description
FS4001 series mass flow sensors are manufactured using MEMS flow sensor and package technology. The sensors are specially designed for low flow rate range applications from 0 ~ 30 sccm up to 0 ~ 1000 sccm. The maximum flow rate for each model is manufactured via specially designed package as well as smart electronics so that the optimal sensitivity would be achieved.
FS4001 MEMS Mass Flow Sensors Features
- Low mass flow range from 0 ~ 30 sccm up to 0 ~ 1000 sccm
- Outstanding accuracy of ±1.5 %
- Fast response (4 ms selectable)
- Pressure rating up to 5 bar (73 psi)
- Analog and/or digital user interface
- Easy installation
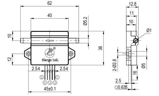
FS4001 MEMS Mass Flow Sensors Mechanical Dimensions
FS4001 MEMS Mass Flow Sensors Performance Specifications
All data unless otherwise noted apply for calibration conditions: air, 20°C, 101.325kPa absolute pressure, horizontal mounting.
|
Model |
FS4001 |
unit |
|
Flow Range |
0 ~ 30, 100, 200, 500, 1000, or customer specified |
sccm |
|
Turn-down Ratio |
>100:1 |
|
|
Accuracy |
±(1.5 + 0.5 FS) |
% |
|
Repeatability |
± 0.25 |
%Reading |
|
Null Shift |
± 30 |
mV |
|
Output Shift |
± 0.2 |
%/°C |
|
Response Time |
65 (Default, 4, 8, 16, 33, 131 selectable) |
ms |
|
Output |
Linear: RS232, Analog 0.5 ~ 4.5 Vdc |
|
|
Pressure Drop |
< 30 |
Pa |
|
Pressure Range |
-0.08 ~ +0.5 |
MPa |
|
Power Supply |
8 ~ 24 Vdc, 50 mA |
|
|
Operating Current |
20 typical when RS232 not connected |
mA |
|
25 typical when RS232 communicates with a PC |
||
|
Power Consumption |
<200 |
mW |
|
Working Temperature |
-5 ~ +55 |
°C |
FS4001 MEMS Mass Flow Sensors Product Selection
If you cannot find what you want, you can entrust ISweek to source for you. Just click:
Sourcing Service


