Position Sensor with Flexible Measuring Rod - KF Series
Strong anti-interference ability
Wide allowable temperature range (-40℃ - +85℃)
Non-contact sensing technology
Replacement by the convenience
Intelligent diagnosis advantages
The products' range can reach over 7600 mm
- Model Number: KF Series
- Quantity:
- - +
Product Specification
Features:
KF series position sensors with flexible measuring rod, are suitable for the occasions where measured travel is large and replaced space is narrow. Products adopt the flexible measuring rod, which can realize both the linear displacement measurement and the curve displacement measurement. Compared to rigid classifier products, RF series on one hand drastically reduce the space for replaced installation, on the other hand reduce the transport difficulties.
Belong to the same series with RH series, they have features: strong anti-interference ability, wide allowable temperature range (-40℃ - +85℃), non-contact sensing technology, replacement by the convenience, intelligent diagnosis advantages; The products' range can reach over 7600 mm.
Products Data:
|
|
Analog output |
SSI output |
|
Project name |
Parameter/Index |
Parameter/Index |
|
Stroke lengths |
500-10000mm |
500-10000mm |
|
Out put |
4~20mADC; 0~10VDC |
24,25,26bit Binary or gray yards |
|
Resolution |
16bitD/A |
2/ 5/ 10/ 20/ 50/100um |
|
Linearity |
< ±0.02%F.S. (Minimum ±100μm) |
< ±0.02%F.S. Minimum ±80μm) |
|
Repertability |
< ±0.001%F.S. (Minimum ±1μm) |
< ±0.001%F.S. ( Minimum ±1 reading) |
|
Frequency response |
Range related |
Range related |
|
Input voltage |
24VDC (-15/+20%) |
|
|
Operating temperature |
-40℃ ~ +85℃ |
|
|
Protection |
Without a protection tube IP30, load, electronic header: IP67 |
|
|
Thread |
M4X59 , M18X1.5 |
|
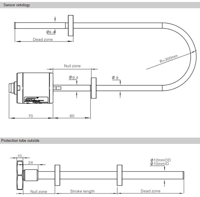
Outline dimensions:

Wiring & Diagnostic Display:

Status indicator:

If you cannot find what you want, you can entrust ISweek to source for you. Just click:
Sourcing ServiceRecommended Products
-
Rod style Position Sensor
-
Position Sensor-KP Series
-
Probe Divided Linear Position Sensor
-
Flange Mounting Position Sensor
-
Analog Output Linear Position Sensor
-
Position Sensors with Aluminum Guide Rail Type
-
Aluminum Alloy Guide Displacement Sensor
-
Position Sensors with Aluminum Guide Rail Type
-
Waterproof Model Position Sensors
-
One-piece Intrinsically Linear Angle Position Sensor

